CONTACT US
400 - 880 - 3995

模擬量拉線編碼器 LU0-ACP06-0413-2S30-ARW
在許多的工業自動化應用中,都需要直線運動傳感器,來反饋數據,從而提供系統控制或確保系統安全。博思特POSITAL的拉線編碼器,測量長度范圍從1米到15米,并且擁有多種配置參數,從而滿足不同行業應用的需求。
測量范圍從1 米到15 米 (3' to 49')
可選多種絕對值接口位置反饋,分辨高達2微米
超高的線性精度,堅固耐用
低成本,性價比高
具有模擬量輸出可調功能
可靈活對拉線量程和模擬量輸出比例關系進行配置
拉線編碼器產品參數:
電源 8 – 32 VDC
啟動時間 <500 ms
工作溫度 -20 °C (-4 °F) - +80 °C (+176 °F)
重量 815 g (1.80 lb)
外殼防護等級 (編碼器) IP64 / IP65
EMC:發射干擾 DIN EN 61000-6-4
EMC:抗干擾 DIN EN 61000-6-2
機械數據
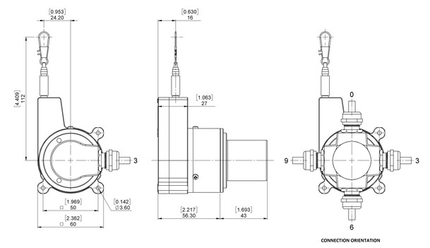
最大測量長度 2.40 m (7.87')
線轂周長 150.8 mm
線繩材質 聚酰胺涂層的不銹鋼
線繩直徑 0.45 mm
編碼器外殼材料 鋼
拉線盒外殼的材料 塑料
線位移的最大速度 1.0 m / s
線繩最大加速度 5.0 g
最大拉出力 7.0 N
最小回縮力 1.0 N
動作壽命 100萬次循環 (根據理想條件估算)
線繩連接 線夾
最大。出線角度。 ±3°
傳感器數據
技術 磁電 (≤ 0.09°)
精度 ± 0.10 % FSO
重復性 ±0.04 % FSO
分辨率 單圈 13 位
分辨率 多圈 4 位
近似線性分辨率 18.4 μm
輸出碼制 Analog Current 0 – 20 mA
輸出分辨率 在全量程內最高分辨率13位(分級轉動-當測量范圍小于90度時分辨率將至13位以下)
多圈范圍 16位(默認設置)。用戶可以使用設定量程功能測量最高達65536圈(也可以使用UBIFAST工具更改圈數)
接口
通訊接口 電流型模擬量
手動功能 測量位置的起點和終點可以通過電纜或連接器進行設置
輸出
輸出
電氣數據
功耗 Desc
最大負載電阻 500 Ω
模擬量精度 @ 20 mA = ±20 μA (在正常的供電情況下)
建立時間 32ms(從最小值到最大值的跳躍)
反極性保護 是
短路保護 是
MTTF 241.0 years @ 40 °C
電氣連接
連接方向 徑向
連接方向 徑向 3
電纜長度 10 m [394"]
導線截面 0.14 mm2 / AWG 26
材料 / 類型 PVC
電纜直徑 6 mm (0.24 in)
最小彎曲半徑 46 mm (1.81") 固定, 61 mm (2.4") 彎曲
產品壽命周期信息
產品壽命周期信息 新產品
連接計劃
信號 電纜顏色
Power Supply 紅
GND 黃色
Analog Output 綠色
Set1/Direction 棕色
Set2/Zero Set 白
